在实时音视频互动过程中,由于很多信息是非常重要的,用户需要对通讯过程以及媒体流加密,从而保障用户的数据安全。同时加密是全方位的,从信令,到流媒体等所有的网络传输媒介,都是需要进行加密保护的。

加密的方式
信令加密
信令通道中传输的信息对用户的数据及隐私安全极为重视,传输层 TLS 加密和客户端 256 位 AES 加密可以为用户数据提供有效保护。
a.传输层加密:用户客户端和服务器端与 RTM 服务器之间数据传输采用 TLS 加密。
b.消息加密:用户每一条消息都提供了端到端的 AES_256_GCM 加密保护。
c.Token 权限控制:提供基于时间限制的访问权限控制策略,确保客户端在可控状 态下进行通讯。
媒体流加密
指通过由App开发者控制的唯一的密钥和盐为 App 中的音视频流加密。RTC的SDK 提供媒体流加密功能以确保传输过程中数据的保密性,可以根据实际的业务场景合理应 用。加密的类型包含:
- AES_128_XTS
- AES_128_ECB
- AES_256_XTS
- SM4_128_ECB
- AES_128_GCM
- AES_256_GCM
- AES_128_GCM2(推荐)
- AES_256_GCM2(推荐)
端到端加密
在数据安全要求较高的场景下,除了使用媒体流加密功能,你还可以使用端到端加密功能,实现在发送端设备上对媒体流进行加密、在接收端设备上对媒体流进行解密,确保数据不会在传输过程中被第三方获取。基于端到端加密的方式,用户可以实现自定义加密算法进行音视频通讯。
加密方式对比
| 方式 | 兼容性 | 安全性 | 复杂度 | 设备适配度 |
| 媒体流加密 | 高 | 中 | 中 | 中 |
| 端到端加密 | 中 | 高 | 高 | 低 |
加密模式介绍
1,盐(Salt):是由伪随机数生成器生成的随机数,在生成密钥(KEY)时会和口令一起输入单向散列函数。
2,密钥(KEY):是根据秘密的口令生成的。
3,ECB(Electronic Codebook Mode)电码本模式。
如下图所示,将信息分组,然后对每组信息使用key加密,其实就是无模式加密,图中P为明文,E为加密算法,C为密文。

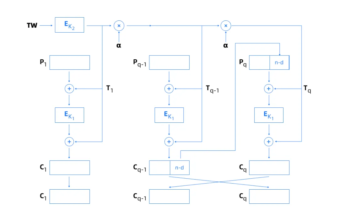
4,XTS(XEX tweak ciphertext stealing) 带密文挪用模式
初始值TW也叫teeak值,先经过加密后得到T1,然后每乘一次阿尔法a得到一个Ti;分组明文先与Ti异或,然后再经过加密,加密后结果与当前的Ti异或,结果为本组的密文。
如果最后一组明文为d bit数长度小于分组长度n,我们需要对最后一组和倒数第二组特殊处理,如下图,把倒数第二组得到的明文的最后 前d bit 最后最后一组的密文输出,n-d bit 拼接到最后一组明文的后面组成n bit,进过加密后,输出密文作为倒数第二组的最终密文输出。
从算法结构上来看,初始值TW不仅经过加密模块,同时又称上 阿尔法a,明文也经过加密模块,这里的乘法是基于伽罗化域的。相比于CTR来说,这里的安全性更高,因为CTR值是每次简单递增,而XTS是经过了有限域乘法计算的。

5,GCM(Galios Count Mode)伽罗华域计数模式:
从下图来看,GCM加密模式是在计数器模式上多增加了一个GHASH的功能,这样,通过对比TAG值来确定数据源是否被篡改;图上H值是用密钥对128bit 0加密所得;MultH为GF(2,128)的乘法,密文的获取和计数器模式一样,,每一级的tag值为 上一级tag * H 再异或上输出密文;最后一个级tag值为 迭代最后一级乘H,然后与A|C长度异或,再乘H,再与counter0加密值异或;GCM最大的功能就是增加了Hash功能,防止信息被篡改。我们将加密后的消息,与Auth tag一起 发送出去,接受者将数据解密后,同时计算Auth tag值,如果计算的值与消息中附加的值一致,我们可以认为消息是没被篡改的。

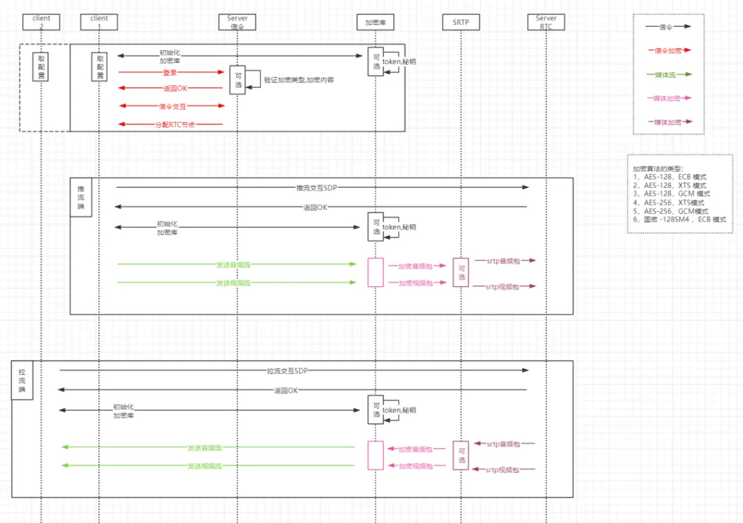
流程介绍

一个典型的RTC流加/解密流程,如下:

加密端支持情况
| 端 | 开发语言 | AEC加密 | 国密 | 自定义加密 |
| Android | C++/Java | 支持 | 支持 | 支持 |
| iOS | C++/Swift | 支持 | 支持 | 支持 |
| Windows | C++ | 支持 | 支持 | 支持 |
| Mac | C++ | 支持 | 支持 | 支持 |
| Web | JS/Wasm | 部分支持 | 部分支持 | 不支持 |
| 小程序 | JS | 不支持 | 不支持 | 不支持 |
| 嵌入式 | C++ | 支持 | 支持 | 支持 |
| 国产化桌面应用 | C++ | 支持 | 支持 | 支持 |
| 可穿戴iot | C++ | 不支持 | 不支持 | 不支持 |
| 服务端 | C++/Go | 支持 | 支持 | 不支持 |
我们的加密方式已经应用到多条产品线,包括视频会议,融合调度指挥系统等等。现在我们正在致力于量子加密相关的研究工作。
作者:anyRTC
版权声明:本文内容转自互联网,本文观点仅代表作者本人。本站仅提供信息存储空间服务,所有权归原作者所有。如发现本站有涉嫌抄袭侵权/违法违规的内容, 请发送邮件至1393616908@qq.com 举报,一经查实,本站将立刻删除。