2021年12月,央视杯2021中国男子手球超级联赛决赛阶段的比赛,在安徽合肥体育中心体育馆举行。安徽有“手球之乡”的美誉,当地许多中小学也成立了手球队伍。手超联赛首次落户合肥,正是看重了安徽手球运动广泛的群众基础。
此次中国男子手球超级联赛决赛阶段的比赛,总台也是高度重视,将本次比赛的全部场次都登陆央视体育平台,通过CCTV5、CCTV5+、CCTV16(奥林匹克4K频道)进行4K信号直播,并在央视频、爱奇艺、咪咕视频等网络直播平台提供比赛直播和回看。同时,这也是济南广电全新打造的4K超高清电视转播车首次进行4K HDR/5.1 环绕立体声全流程电视直播。
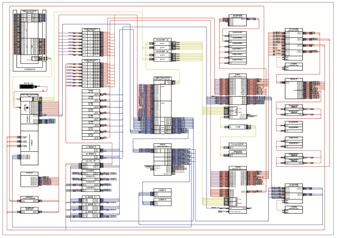
转播车音频系统结构
01 转播车音频系统概况
这次转播使用的济南台4K高清转播车,音频系统有两张数字调音台:Suder Vista1作为主调音台,紧凑一些的Soundcraft Si Performer1作为备调音台,使用StuderD21接口箱作为共享机箱,两调音台可以通过光纤(MADI)分配切换器分别接收该接口箱的全部信号。

简言之,数字信号源一分为二,接入主台和共享机箱;模拟信号源一分为三,接入两张调音台以及共享机箱。数字信号主输出由共享机箱和主调音台选切之后输出;模拟信号由两张调音台选切之后输出。所以作为音频系统核心的主调音台一旦发生故障,备台和共享机箱能够共同承担主台的输出功能,保证信号传输能在正确切换2选1后迅速恢复,用比较经济的方式实现了系统的冗余备份。
简言之,数字信号源一分为二,接入主台和共享机箱;模拟信号源一分为三,接入两张调音台以及共享机箱。数字信号主输出由共享机箱和主调音台选切之后输出;模拟信号由两张调音台选切之后输出。所以作为音频系统核心的主调音台一旦发生故障,备台和共享机箱能够共同承担主台的输出功能,保证信号传输能在正确切换2选1后迅速恢复,用比较经济的方式实现了系统的冗余备份。
02 音频系统调整
当时音频团队大部工作人员都在外地进行另外一场转播,视频技术人员负责前期对接,接到任务时才知道录制需要16通道音频嵌入,而系统当时只有8通道嵌入能力。视频技术伙伴最初提出的上变换设备加嵌的方案实验后也不可行。
团队观察到主加嵌背板音频输入的25针D型头只有4根AES线,这说明25针至少还空着13针,让视频伙伴找来AMX-3981的DB25定义图,果然有AES in5-AES in8的详细接线定义。

原来加嵌器AMX-3981理论上可以8×AES输入(16ch加嵌),但是集成商在系统设计和集成的时候都是按照4×AES(8ch加嵌)设计施工的。
时间紧迫,得到领导批准后,团队把4线12芯按照定义焊进DB25头,4线另一端做成4卡侬母扇尾短线,长度足够从主加嵌到侧接口板,便于从接口板向主加嵌器输入信号。因为原有4线线长的限制,团队只能弓腰站在维修平台上单手拿DB25头逐芯焊接,所幸过程顺利,给新加的4根线送入AES信号之后,主加嵌器的9~16路加嵌指示灯就点亮了,并不需要在板载拨档额外调整。
随后如法炮制,把备加嵌的DB25头也加焊4根线,另一端做成4卡侬母扇尾短线留到接口板。这样,加嵌设备的问题解决了。
接着调整音频系统,主备1~8ch不做调整;使用8根跳线,将共享机箱和主调音台冗余的AES输出送至维修仓侧接口板,再通过刚焊的8根卡侬母扇尾短线分别接入主、备加嵌的9~16ch,按照央视要求,将16ch音频信号送至相应的主备加嵌通道,通电测试无误。至此,16轨音频加嵌的问题便解决了。
场馆内传声器布设方案
手球比赛的场地是长40米、宽20米的长方形,比标准篮球场(28米×15米)更大一些。合肥体育中心手球比赛场地如下图所示,内场蓝色区域就是比赛场地,观众席设置在场馆二层看台,环绕场地一圈。

手球比赛需要拾取的声音要素跟篮球相似,包括球员在场上运球、接球以及脚步移动的声音;球员和场边教练员的呼喊声,尤其是得分时的激动呐喊声、掌声和鼓励声;裁判的哨声和口令声;现场观众鼓掌欢呼声等等。球入球网之前的弹地声、击中门框声、守门员挡球声和球大力入网的刷网声应成为关注的重点,要确保能清晰地捕捉到这些声音。

基于以上考虑,内场布置了10支超指向传声器,如上图所示,其中1号、4号、6号、9号是森海的MKH-416,使用高支架把传声器固定在内场的四个角,高度1.8米,然后调整角度使其仰角45度指向二楼观众席的上方,用来拾取观效和构成空间声场。
5、10是两只MKH416,支架高度1.4米,传声器向下倾斜30度紧靠安全网,从球门后指向球网和守门员区域,可以拾取球入网、弹地、击中门框等守门员区域的直达声。2、3两只MKH416,支架高度1.4米,架设在远端边线外、两个半场的中点位置,指向本半场的任意球线(弧形虚线)和七米线(短实线)的区域,因为比赛中双方球员对球权的争夺和攻防对抗多发生在这个区域。
7、8号是森海的MKH-418S立体声传声器,架设在两台微波摄像机上。两个机位近距离跟拍双方球员入场时,传声器可以拾取到球员相互鼓励的呐喊声击掌声;跟拍双方技术暂停时,可以拾取到双方教练员讲解战术和队员的交流声;比赛时两个机位就在近端边线场边、靠近中线的位置,镜头跟随球在各自半场摇动,7、8两只传声器恰好可以拾取到球场上双方球员运球、传接、对抗和呼喊的直达声。
因为疫情防控,场馆只开放了主席台对面的部分观众区,于是在相应位置布置了11和12两只AT4071补充一下观众效果声。同时在主席台上方的观众席放置了一只SchoepsMSTC64UgORTF制式的立体声传声器,编号13。
该制式的传声器能够获得更宽和松散的声像,远距离拾音时可以获得场馆内多层次的自然声场。因为其拾取声像的中心区域(C)声音较弱的特点,所以对其他传声器拾取的声音诸要素影响较小,很适合制作5.1环绕声。现场评论席使用了一套便携式的Sonifex2+1通道评论员基站CM-CU21来拾取现场评论员的解说声,不作赘述。
环绕声混音的声像设置
调音与通道处理
央视要求提供两版4K HDR视频信号:4K-PGM和4K-Clean,两版4K节目信号都要嵌入16轨音频。同时提供两版高清信号:HD-PGM和HD-Clean,各嵌入4轨音频。另有网络直播用4K信号一路、网络直播用HD信号一路。
要实现5.1环绕声混音,需要合理安排每只传声器的声像定位。即参照不同传声器本身特性差异和放置传声器的不同位置、拾音目的,将每一只传声器的声音按不同比例分配到5.1环绕声的每一轨,形成清晰有层次、自然不突兀的环绕声场。
如果以转播主机位作为电视观众的虚拟参考位置,比赛场地应该在观众前方充分展开,四只观效传声器分列四角;球门后的拾音传声器可以放在前方的极左极右;负责外场环境音拾取的ORTF两声道可以放在参考点后方的两侧等等。
Studer Vista1调音台的5.1环绕声PAN界面是个二维坐标图,从中心位置0到极左(30L)极右(30R)、极前(30F)极后(30B),把每只传声器的虚拟声像位置全汇总到一个坐标轴上就得到了下图所示的设置。其中红色圆点为内场比赛拾音传声器,蓝色圆点为环境观效声拾音传声器。

声像设置完毕后,系统会把每只传声器拾取的声音按比例分配到5.1声道的L、R、C、Ls、Rs音轨。把外场观效传声器1、4、6、9、13编入控制编组,便于随时根据5.1环绕声的听感控制场内效果声和观效声的比例,营造出层次分明又重点突出的声场效果。
要注意控制C声道的电平,可以在5.1总输出通道给C做10-15dB的衰减,避免声像过于居中。而5.1的超低(LFE)声道,除了片头片尾的5.1素材放像、比赛集锦的5.1配乐相对应的LFE通道内容之外,不再向LFE声道单独发送其他效果声音。
5.1制作时的监听,由于需要同时向外送出多路音频信号的不同组合,包括4K的16轨音频,HD混合声(含现场评论员声和HD国际声)、HD国际声等等,实际调音时提前预设了多个自定义监听键,便于在多个监听源之间快速切换选听。
传声器通道参数EQ、动态的处理为了滤除低频噪音,所有传声器120Hz以下做低切。所有内场拾音传声器均做了压缩比3:1的动态压缩,以免突然的高电平爆表;球门后的拾音传声器和微波游机的机头传声器可以设置到4:1。
为了避免拾取到过多鞋底与地胶摩擦产生的吱吱声,团队起初对内场传声器(2、3、5、7、8、10)做了有针对性的多段EQ衰减。但是测试赛彩排发现因为部分高频被衰减,传声器拾取到的拍球声、脚步声沉闷,球入网的刷网声也变了音色。权衡比较之后取消了EQ衰减处理,通过调整传声器拾音角度的方式避免拾取过多直达声,将摩擦声控制在可接受范围内,也终于找回了自然清晰的效果声。
总结
综上所述,团队圆满完成了8天高质量、高强度的音频制作和音频技术保障任务,制作的5.1环绕声节目效果也获得了央视导演以及导播老师的高度肯定。
通过这次转播,团队积累了手球项目转播和高清环绕声制作的宝贵经验,为我台转播团队今后参与更高水平的4K超高清电视转播打下了有益的基础。
4K超高清电视转播环绕声信号制作方案全文见《影视制作》2023年3月刊
作者 | 济南广播电视台 王浩鷁
订阅 | 010-86092062
版权声明:本文内容转自互联网,本文观点仅代表作者本人。本站仅提供信息存储空间服务,所有权归原作者所有。如发现本站有涉嫌抄袭侵权/违法违规的内容, 请发送邮件至1393616908@qq.com 举报,一经查实,本站将立刻删除。